substitutions:
name: iot_button_1
static_ip: <your ip address>
gateway: <your gateway>
subnet: <your subnet mask>
globals:
- id: message_sent
type: bool
restore_value: no
initial_value: "false"
esphome:
name: ${name}
on_boot:
priority: 700
then:
- output.turn_on: power_pin
esp8266:
board: esp8285
wifi:
ssid: !secret wifi_ssid
password: !secret wifi_password
fast_connect: true
manual_ip:
static_ip: ${static_ip}
gateway: ${gateway}
subnet: ${subnet}
ap:
ssid: "ESPHome_Button_1"
password: !secret ap_fallback_password
captive_portal:
api:
encryption:
key: !secret api_encryption_key
ota:
password: !secret ha_api_password
script:
- id: send_event
then:
- logger.log: "Waiting for API connection"
- wait_until:
api.connected:
- logger.log: "Sending ESPHome event"
- delay: 0.5s
- homeassistant.event:
event: esphome.button_pressed
data:
device_id: ${name}
- globals.set:
id: message_sent
value: "true"
- delay: 0.5s
logger:
sensor:
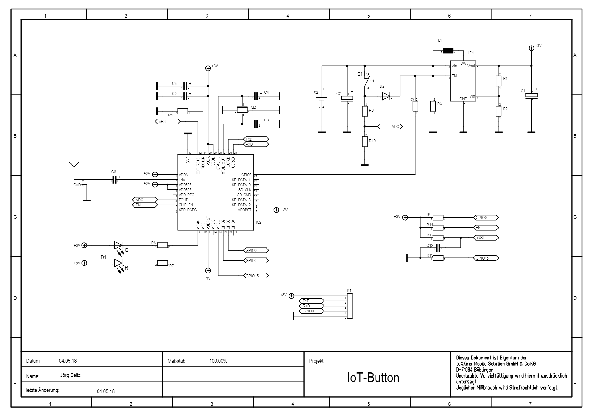
- platform: adc
pin: A0
id: button_adc
internal: true
update_interval: 10s
on_value_range:
above: 0.5
then:
- script.execute: send_event
- wait_until:
lambda: return id(message_sent);
- logger.log: "Shutting down"
- output.turn_off: power_pin
output:
- platform: gpio
pin: GPIO5
id: power_pin
- platform: esp8266_pwm
pin: GPIO12
id: led_red_pin
- platform: esp8266_pwm
pin: GPIO14
id: led_green_pin